Image

«
 
»
Galeon 1500 century Shipwrec­k 1700 centu… Galearboat Garf Nikita Graf Nikita
Galearboat
Click the picture to view full size.
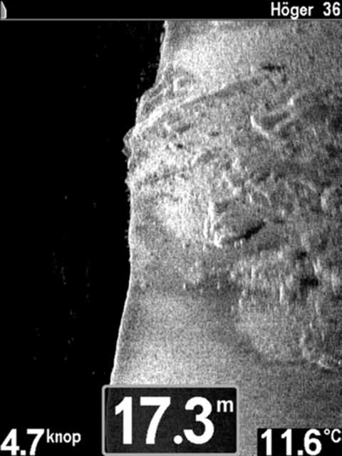
This is an typical picture that shows how diificult it can be to find old wooden wrecks. In the middle of the picture you can see the skeleton of an galear that sunk in the middle of 1500. It carried to bronze canons as mainguns and one iron canon. Only thing that remains off this swedisch gunboat is the keel and ribbons.

Poster information

Item Info

Kimi

  • Total Items: 10
  • Total Comments: 0
PostedJanuary 31, 2010, 11:11:46 AM
Width × Height480 × 640
Filesize99 KB
FilenameJussarö1.jpg
Views699
Rating
BBC embed code
HTML embed code
Direct link
Comments No comments
Aeva Media 1.4w © 2008-2011 Nao & Dragooon - Wedge: level up your forum!

anything
SimplePortal 2.3.3 © 2008-2010, SimplePortal